Industry Application
Provide customers with professional case solutions
Constant pressure water supply refers to the water supply method in which the outlet pressure remains unchanged when the water consumption in the water supply network changes. The outlet pressure value of the water supply network system is determined according to the user's needs. The traditional constant pressure water supply method is realized by the use of water towers, high-level water tanks, air pressure tanks and other facilities. With the increasing maturity and wide application of frequency conversion speed regulation technology, the closed-loop control system composed of frequency converter, pressure sensor, programmable logic controller (PLC), water pump and several auxiliary components is used to adjust the output flow of the water pump and realize constant pressure water supply. .
The frequency conversion constant pressure water supply system uses a potentiometer to set the pressure (the pressure can also be set inside the panel), and a pressure sensor (feedback is 4~20mA or 0-10V) to detect the pressure in the pipe network, and the pressure sensor sends the signal to the The PID loop of the frequency converter, after the PID loop is processed, sends a signal to increase or decrease the amount of water to control the speed of the motor. If the pressure is still insufficient or too large within a certain delay time, the PLC will switch the working frequency/frequency conversion to make the actual pipe network pressure consistent with the set pressure.
In addition, with the reduction of water consumption, the inverter automatically reduces the output frequency to achieve the purpose of energy saving.

Schematic diagram of constant pressure water supply system
The use of variable frequency constant pressure water supply has the advantages of high efficiency and energy saving, stable pressure, reliable operation, simple operation, convenient installation, small footprint, low noise, no pollution, and high benefits. It is especially suitable for:
1. Domestic water supply and hot water heating systems in hotels, office buildings, apartments, residential quarters and other places;
2. Fire water supply system for high-rise buildings and large civil buildings;
3. Industrial and mining production enterprises;
4. Various types of water plants.
1. The advantages of constant pressure water supply of frequency converter:
①Energy saving, which can save 20%-40% of electricity and realize green electricity consumption;
② Small footprint, less investment, and high efficiency;
③ Flexible configuration, high degree of automation, complete functions, flexible and reliable;
④ Reasonable operation, because of soft start and soft stop, not only can the water hammer effect be eliminated, but also the average ⑤ torque and wear on the motor shaft are reduced, the maintenance amount and maintenance cost are reduced, and the life of the pump is greatly improved;
⑥D(zhuǎn)ue to the frequency conversion and constant pressure speed regulation, the water supply is directly supplied from the water source, which reduces the secondary pollution of the original water supply method and prevents the source of infection of many infectious diseases;
⑦Through communication control, unattended operation can be realized, saving manpower and material resources.
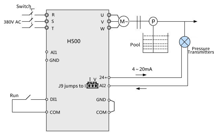
2. Basic wiring diagram
| 3. Inverter parameter setting
|
4. Notes on debugging:
① To use the pressure transmitter signal as 4~20mA signal, you need to modulate the J9 jumper on the control board to the "|" side
② 4~20mA is the linear input analog signal of AI2. It needs to set the corresponding relationship in F4-18~F4-22. The parameters are expressed by voltage value, that is, 2.00V represents 4mA;
③ The pressure transducer is usually two-wire system, that is, one is connected to the positive pole of the power supply, the other is connected to the AI2 signal input, the analog ground is the power supply GND, and a shielded wire is required;
④ The set pressure is the digital setting of FA-01, expressed as a percentage, of which 100% corresponds to a 20mA signal, which is a pressure of 10 kg;
⑤ The action direction of PID is set correctly according to the motor operation requirements, generally it is the positive action direction;
⑥ PID parameters generally only need to debug KP and TI two parameters.
After the water pump is controlled by the frequency converter, it not only saves a lot of tedious manual operations, reduces the hidden dangers of safety, but also keeps the system running in an energy-saving state, prolongs the service life of the equipment, and reduces the maintenance workload and maintenance. frequency, with reliable operation, easy operation, complete protection functions, and more significant water and electricity saving effects.